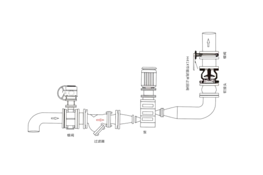
Valvulae silenter repressae sunt maxime idoneae ad aquarum copiam et adficio systemata aedificiorum altae surgentium, ignium fistularum systematum aquarum copia, etc. Haec valvae silentii silencii efficaciter impedire potest ne medium a refluxu et malleo aquae pernicioso causando, et aquam sentinam aliorumque instrumentorum pipelinis defendat. Notae praecipuae effectus valvae eius sunt haec: 1. Haec valvae verticaliter vel horizontaliter institui possunt. Plectrum potest molliter elevari et demitti, et leviter operatur, submissa voce, tuta est, et raro vitia habet. 2. Rationabilis structura et boni effectus obsignandi. 3. gere repugnans et longa opera vitae.
中文简体




